背景技術:
本技術屬于直線振動篩技術領域,具體涉及一種推拉網架式直線振動篩?,F有的直線振動篩,可以由一層或多層篩網網架組成,篩網和網架是直線振動篩工作過程中的重要部件,而網架上的篩網是易損件,使用一段時間就會破損,必須更換。目前,直線篩上換網,需要將網架從篩箱中拆卸出來,直線篩的網架大都采用鋼制作,自重比較大,有時需要動用吊裝設備,拆裝非常不便。
技術實現要素:
本技術解決的技術問題是提供了一種更換篩網更加方便快捷且不需要使用吊裝設備就能夠拆裝網架的推拉網架式直線振動篩。本技術為解決上述技術問題采用如下技術方案,一種拉網式直線振動篩,包括篩箱、設置于篩箱底部的振動電機和用于支撐篩箱的支架,篩箱的上部設有進料口,篩箱的側壁上設有出料口,其特征在于:所述篩箱的內部通過推拉式網架固定有篩網,該推拉式網架的兩個外側面上分別設有U型槽體,U型槽體內設有定位塊,篩箱側壁上與定位塊相對的位置設有定位螺栓,該定位螺栓通過固定于篩箱外側壁上的導向螺套限位并通過鎖緊螺母鎖緊,導向螺栓的末端設有頂網架U型板,其中頂網架U型板的一個側板上設有與導向螺栓相配的圓孔并且頂網架U型板通過該圓孔設置于導向螺栓上,頂網架U型板的另一個側板與定位塊相對,頂網架U型板兩個側板之間的導向螺栓上設有開口銷,篩箱內側壁上設有與U型槽體上側板滑動配合的導向密封皮,U型槽體的底部設有與U型槽體滾動配合的支撐軸,該支撐軸通過設置于篩箱外側壁上的軸承座固定于篩箱側壁上,軸承座與篩箱外側壁之間設有盤根密封體。
進一步優選,所述的推拉式網架為一層或多層,每層推拉式網架上分別固定有篩網。
進一步優選,所述的開口銷與頂網架U型板之間的定位螺栓上設有至少一個墊片,頂網架U型板與篩箱內側壁之間的定位螺栓上設有墊片。
進一步優選,所述的U型槽體通過套設于支撐軸上的支撐套與支撐軸滾動配合。
進一步優選,所述的推拉式網架端部設有推拉把手。
本技術采用水平推拉式將網架從篩箱中移出,解決了篩網更換時網架自重大拆裝不便的問題,有效提高了生產效率。
附圖說明

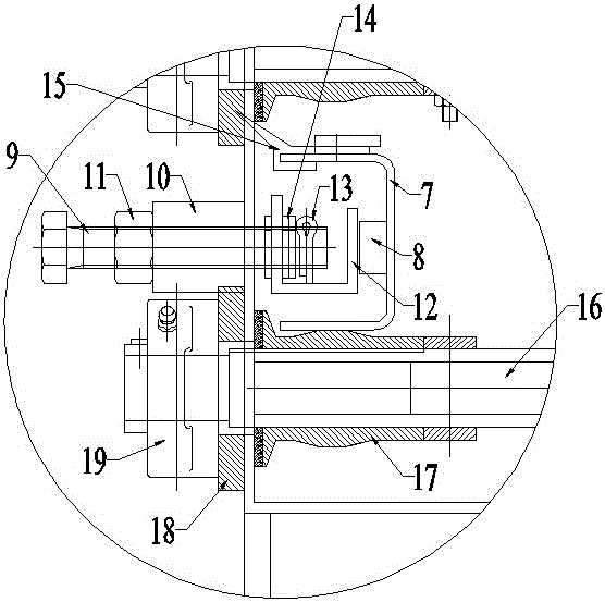
圖中:1、篩箱,2、振動電機,3、支架,4、進料口,5、推拉式網架,6、篩網,7、U型槽體,8、定位塊,9、定位螺栓,10、導向螺套,11、鎖緊螺母,12、頂網架U型板,13、開口銷,14、墊片,15、導向密封皮,16、支撐軸,17、支撐套,18、盤根密封體,19、軸承座。
具體實施方式
結合附圖詳細描述本技術的具體內容。一種推拉網架式直線振動篩,包括篩箱1、設置于篩箱1底部的振動電機2和用于支撐篩箱1的支架3,篩箱1的上部設有進料口4,篩箱1的側壁上設有出料口,篩箱1的內部通過推拉式網架5固定有篩網6,該推拉式網架5的兩個外側面上分別設有U型槽體7,U型槽體7內設有定位塊8,篩箱1側壁上與定位塊8相對的位置設有定位螺栓9,該定位螺栓9通過固定于篩箱1外側壁上的導向螺套10限位并通過鎖緊螺母11鎖緊,導向螺栓9的末端設有頂網架U型板12,其中頂網架U型板12的一個側板上設有與導向螺栓9相配的圓孔并且頂網架U型板12通過該圓孔設置于導向螺栓9上,頂網架U型板12的另一個側板與定位塊8相對,頂網架U型板12兩個側板之間的導向螺栓9上設有開口銷13,開口銷13與頂網架U型板12之間的定位螺栓9上設有2個墊片14,頂網架U型板12與篩箱1內側壁之間的定位螺栓9上設有墊片14,篩箱1內側壁上設有與U型槽體7上側板滑動配合的導向密封皮15,U型槽體7的底部設有支撐軸16,該U型槽體7通過套設于支撐軸16上的支撐套17與支撐軸16滾動配合,支撐軸16通過設置于篩箱1外側壁上的軸承座19固定于篩箱1側壁上,軸承座19與篩箱1外側壁之間設有盤根密封體18,所述的推拉式網架5端部設有推拉把手。
技術特征:
1.一種推拉網架式直線振動篩,包括篩箱、設置于篩箱底部的振動電機和用于支撐篩箱的支架,篩箱的上部設有進料口,篩箱的側壁上設有出料口,其特征在于:所述篩箱的內部通過推拉式網架固定有篩網,該推拉式網架的兩個外側面上分別設有U型槽體,U型槽體內設有定位塊,篩箱側壁上與定位塊相對的位置設有定位螺栓,該定位螺栓通過固定于篩箱外側壁上的導向螺套限位并通過鎖緊螺母鎖緊,導向螺栓的末端設有頂網架U型板,其中頂網架U型板的一個側板上設有與導向螺栓相配的圓孔并且頂網架U型板通過該圓孔設置于導向螺栓上,頂網架U型板的另一個側板與定位塊相對,頂網架U型板兩個側板之間的導向螺栓上設有開口銷,篩箱內側壁上設有與U型槽體上側板滑動配合的導向密封皮,U型槽體的底部設有與U型槽體滾動配合的支撐軸,該支撐軸通過設置于篩箱外側壁上的軸承座固定于篩箱側壁上,軸承座與篩箱外側壁之間設有盤根密封體。
2.根據實用要求1所述的拉網式直線振動篩,其特征在于:所述的推拉式網架為一層或多層,每層推拉式網架上分別固定有篩網。
3.根據實用要求1所述的推拉網架式直線振動篩,其特征在于:所述的開口銷與頂網架U型板之間的定位螺栓上設有至少一個墊片,頂網架U型板與篩箱內側壁之間的定位螺栓上設有墊片。
4.根據實用要求1所述的推拉網架式直線振動篩,其特征在于:所述的U型槽體通過套設于支撐軸上的支撐套與支撐軸滾動配合。
5.根據實用要求1所述的推拉網架式直線振動篩,其特征在于:所述的推拉式網架端部設有推拉把手。
技術總結
本技術公開了一種推拉網架式直線振動篩,推拉式網架的兩個外側面上分別設有U型槽體,U型槽體內設有定位塊,篩箱側壁上與定位塊相對的位置設有定位螺栓,該定位螺栓通過固定于篩箱外側壁上的導向螺套限位并通過鎖緊螺母鎖緊,導向螺栓的末端設有頂網架U型板,頂網架U型板兩個側板之間的導向螺栓上設有開口銷,篩箱內側壁上設有與U型槽體上側板滑動配合的導軌滑槽,U型槽體的底部設有與U型槽體滾動配合的支撐軸,該支撐軸通過設置于篩箱外側壁上的軸承座固定于篩箱側壁上,軸承座與篩箱外側壁之間設有盤根密封體。本技術采用水平推拉式將網架從篩箱中移出,拉網式直線振動篩解決了篩網更換時網架自重大拆裝不便的問題。
版權說明:如非注明,本站文章均為河南新鄉振動篩廠家原創,轉載請注明出處和附帶推拉網架式直線振動篩設計技術及要求本文鏈接。
上一篇:防堵塞式雙層滾筒篩設計技術及實用效果
下一篇:概率篩